Common Components and Steel Mesh Aperture Design in SMT Process

Common Components and Steel Mesh Aperture Design in SMT Process

Common Components and Steel Mesh Aperture Design in SMT Process
06 November, 2025
Share:

Design of pads and stencil openings for SOT23 (triode small crystal type) components

 

 

 


 Left: SOT23 component front view size, Right: SOT23 component side view size

1. SOT23 solder joint minimum requirement: minimum side length equal to pin width.

2. SOT23 solder joint best requirement: Solder joint wets normally in the pin length direction (determining factors: amount of tin under the stencil, component pin length, pin width, pin thickness and pad size).

3. SOT23 solder joint maximum requirement: Solder can rise to, but must not touch the component body or tail package.

 

SOT23 pad stencil design

Key point: the amount of tin under.

Method: Stencil thickness 0.12 according to 1:1 hole opening

 

Similar design is SOD123, SOD123 pads and stencil openings (according to 1:1 openings), note that the body can not take the pads, otherwise it is easy to cause the displacement of components and floating high.

 

Wing-shaped components (SOP, QFP, etc.) of the pad and stencil design


1. Wing-shaped components are divided into straight wing and gull wing, straight wing-shaped components in the pad and stencil hole design should pay attention to the internal cut to prevent solder on the component body.

2. Wing-shaped components solder joint minimum requirements: the minimum side length equal to the width of the pin.

3. Wing-shaped components solder joints best requirements: solder joints in the direction of the length of the pin normal wetting (determining factors pad size stencil under the amount of tin).

4. Winged component solder joints maximum requirement: solder can rise to, but must not touch the component body or tail end package.

 

 


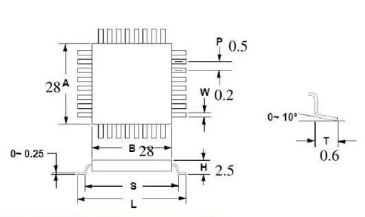
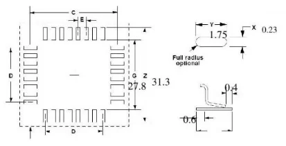
 Typical wing component SQFP208 dimensional analysis

1. Number of pins: 208

2. Pin spacing: 0.5 mm

3. Leg length: 1.0

4. Effective solder length: 0.6

5. Leg width: 0.2

6. Inside distance: 28

 

 

 

Typical wing component SQFP208 pad design: 0.4mm in front and 0.60mm behind the effective tin end of the component 0.25mm in width.

 

Stencil design for wing component SQFP208: 0.5mm pitch QFP wing component, stencil thickness 0.12mm, length open 1.75 (plus 0.15), width open 0.22mm, internal pitch remain 27.8 unchanged.

Note: In order not to short circuit between the component pins, and the front end of good wetting, stencil openings in the design should pay attention to the internal shrinkage and additional, additional should not exceed 0.25, otherwise easy to produce tin beads, net thickness of 0.12mm.

 

Wing-shaped components pads and stencil design applications


Solder pad design: pad width 0.23 (component foot width 0.18mm), length 1.2 (component foot length 0.8mm).

Stencil opening: length 1.4, width 0.2, mesh thickness 0.12.

 

Pad and stencil design of QFN class components


QFN (Quad Flat No Lead) class components are a kind of pinless components, widely used in the field of high frequency, but because of its welding structure for the castle shape, and for the pinless type welding, so there is a certain degree of difficulty in the SMT welding process.

 

Solder joint width:

The width of the solder joint shall not be less than 50% of the solderable end (determining factors: width of the solderable end of the component, width of the stencil opening).

 

Solder joint height:

Blanching point height is 25% of the sum of the solder thickness and component height.

Combined with the QFN class components themselves and the size of the solder joint requirements pad and stencil design corresponds to the following:

Point: not to produce tin beads, floating high, short circuit on this basis to increase the weldable end and the amount of tin under.

Method: The pad design according to the size of the component on the solderable end plus at least 0.15-0.30mm, (up to 0.30, otherwise the component is prone to produce on the tin height is insufficient).

Stencil: on the basis of the pad plus 0.20mm, and the middle of the heat sink pad bridge openings, to prevent components floating high.

 

BGA ( Ball Grid Array ) class component size


BGA ( Ball Grid Array ) class components in the design of the pad is mainly based on the diameter of the solder ball and spacing::

After welding solder ball melting and solder paste and copper foil to form intermetallic compounds, at this time the diameter of the ball becomes smaller, while the melting of the solder paste in the intermolecular forces and liquid tension between the role of retraction. From there, the design of pads and stencils are as follows:

1. The design of the pad is generally smaller than the diameter of the ball 10%-20%.

2. The stencil opening is 10%-20% larger than the pad.

Note: fine pitch, except when the 0.4 pitch at this time by 100% open hole, 0.4 within the general 90% open hole. To prevent short circuit.

 

BGA ( Ball Grid Array ) class component size


Ball Diameter

Pitch

Land Diameter

Aperture

Thickness

0.75

1.5, 1.27

0.55

0.70

0.15

0.60

1.0

0.45

0.55

0.15

0.50

1.0, 0.8

0.40

0.45

0.13

0.45

1.0, 0.8, 0.75

0.35

0.40

0.12

0.40

0.8, 0.75, 0.65

0.30

0.35

0.12

0.30

0.8, 0.75, 0.65, 0.5

0.25

0.28

0.12

0.25

0.4

0.20

0.23

0.10

0.20

0.3

0.15

0.18

0.07

0.15

0.25

0.10

0.13

0.05

 

BGA class components pad and stencil design comparison table


BGA class components in the soldering in the solder joint mainly appear in the hole, short circuit and other problems. Such problems have a variety of factors, such as BGA baking, PCB secondary reflow, etc., the length of reflow time, but only for the solder pad and stencil design should pay attention to the following points:


1. Solder pad design should pay attention to avoid as much as possible through-hole, buried blind holes and other holes that may appear to steal tin class appear on the pad.

2. For larger pitch BGA (more than 0.5mm) should be the right amount of tin, can be achieved by thickening the stencil or expand the hole, for fine pitch BGA (less than 0.4mm) should reduce the diameter of the hole and stencil thickness.

Choosing a Reliable PCB Manufacturer for High Performance Electronics
Apr 17, 26
Choosing a Reliable PCB Manufacturer for High Performance Electronics
Selecting a reliable PCB Manufacturer is a critical decision that determines the ultimate reliability and performance of any electronic device. From the intricate circuits in medical implants to the robust controllers in automotive systems, the quality of the printed circuit board serves as the foundation for all hardware innovation. Understanding the nuances of fabrication ensures that designers can translate their theoretical schematics into functional, market-ready products. In today's hyper-connected era, the demand for miniaturization and high-speed data transmission has pushed a professional PCB Manufacturer to adopt advanced technologies like HDI and Rigid-Flex designs.
Comprehensive Guide to Printed Circuit Board Design and Fabrication
Apr 17, 26
Comprehensive Guide to Printed Circuit Board Design and Fabrication
The modern digital era is built upon a foundation of intricate circuitry, where the Printed Circuit Board serves as the central nervous system for almost every electronic device we touch. From the smartphone in your pocket to the complex control systems of an autonomous vehicle, these boards enable the precise routing of electrical signals, ensuring that components communicate seamlessly to perform complex tasks. Understanding the nuances of PCB design and fabrication is no longer just for electrical engineers; it is critical for product designers and procurement specialists who aim to optimize for reliability and cost.
Comprehensive Guide to Understanding and Utilizing Rigid PCB Technology
Mar 31, 26
Comprehensive Guide to Understanding and Utilizing Rigid PCB Technology
In the world of electronics, the Printed Circuit Board (PCB) is a fundamental component. Among the various types, Rigid PCBs stand out for their stability, cost-effectiveness, and widespread applications. This article will delve into the intricacies of Rigid PCBs, covering their characteristics, manufacturing processes, applications, advantages, and considerations for choosing the right one for your project. Whether you're a seasoned engineer or new to electronics manufacturing, this guide will provide valuable insights.

If you are interested in our products, you can choose to leave your information here, and we will be in touch with you shortly.